Toilettenanhänger “M”

 

 

Beschreibung:

– Toilettenanhänger “M” – ideal für Ihre Veranstaltung
– Der kompakte, voll ausgestattete Toilettenwagen bietet auf wenig Platz und Stellfläche eine vernünftige Sanitärlösung mit moderner Ausstattung. Komfortabler Zustieg über niedrigen Sicherheitseinstieg.
– Der Wagen benötigt einen Frischwasser- und einen Abwasseranschluss.

 

Ausstattung:

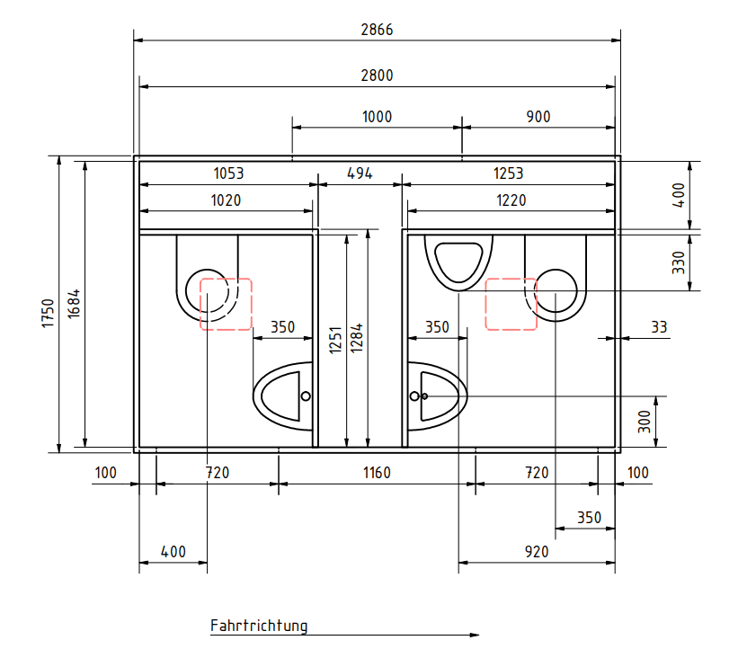
– HERREN: 1 x WC, 1 x Urinal, 1 x Waschbecken, Seifenspender , Papierspender, Heizung, Beleuchtung und Spiegel
– DAMEN: 1 x WC, 1 x Waschbecken, Seifenspender , Papierspender, Heizung, Beleuchtung und Spiegel

 

Technische Beschreibung:

– Aufstellmaße: 426 x 175 x 285 cm
– Maße Innen: 286 x 175 x 210 cm
– Einzelachsfahrgestell mit ZGG 1600 kg
– 2 Zugangstüren mit Symbol
– ¾ Geka Anschluss für Frischwasser
– DN 100 Anschluss für Abwasser
– 230 V Stromanschluss für Beleuchtung                                                                                                                                                                                                                                      — Unser Toilettenanhänger ist winterfest und beheizt.                                                                                                                                                                                                                     – optional ist ein Boiler für Warmwasser möglich

 

Die Hygieneartikel können direkt über uns preisgünstig bezogen werden.

 

Transport / Aufbau:

– Selbstabholung
– Lieferservice und Anschlussservice gegen Aufpreis

oder